Разработка и изготовление шкафов управления для модернизации металлообрабатывающего оборудования.

ООО НПФ «Вест Лабс» предлагает услуги в области разработки шкафов управления как по собственным схемам, так и по схемам заказчика. Мы располагаем собственным производственным отделом по сборке шкафов управления. Мы применяем надежные и современные комплектующие от мировых производителей электротехнической продукции таких как «Kollmorgen» «Schneider Electric» «Phoenix contact» «Rittal» и др. 

Работая не один год на рынке мы предлагаем заказчикам самые современные решения для управления различными станками. Благодаря тому что мы являемся производителями ЧПУ и представителями «Kollmorgen» каждый из разработанных нами шкафов эффективен и экономичен.

Собранные нами шкафы идеально подойдут для любой глубины модернизации по электрической части. Подтверждение этому на предприятии ПАО «Мотор Сич» выполнено более 130 модернизаций с заменой шкафов управления и двигателей. Наши новые шкафы установлены на таких станках как шлифовальный 1Е516, 16А20, 1325, 2431, ИС500, ИР500, ИС800, МА655, МА655 4 осиМА655 5 осей, Pinnaсle 6 осей, токарный Pinnacle,  ГФ2171, 656ПК, 6441, СВМ-1М, АТПР2М12, АТ320, DF2/3, SKIQ-16, АТПР800СТ161, ТПК125, Twinhorn VE1020.

Мы предлагаем проектирование шкафов управления для:

  • токарных станков с ЧПУ
  • фрезерных станков с ЧПУ;
  • обрабатывающих центров с ЧПУ;
  • расточных станков с ЧПУ;.

Работы по проектированию, монтажу и пусконаладке шкафов включают в себя следующее:

  • разработка чертежей ШУ
  • разработка электросхемы оборудования
  • подбор необходимых комплектующих;
  • сборка ШУ
  • написание ПЛК для ЧПУ WL4
  • настройка приводов подач и шпинделя
  • помощь в запуске и сдаче станка


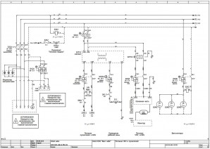
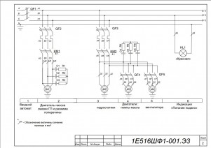
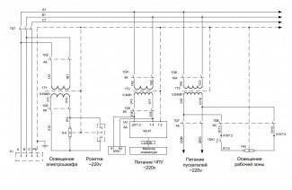
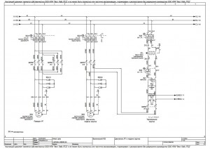
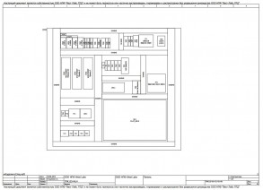
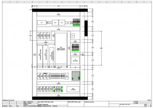
Заказывая проект шкафа у нас, заказчик получает качественную новую документацию на станок.


Примеры документации проектов: